-
-
-
Tổng tiền thanh toán:
-


Sen tắm Toto TMN40TE có thiết kế nổi bật, sang trọng, hiện đại, thao tác nhẹ nhàng chỉ bằng một nút ấn. Có nhiều chức năng: điều chỉnh nhiệt độ, điều chỉnh tốc độ nước của bát sen, điều chỉnh tốc độ chảy của vòi sen… Đây là sản phẩm tuyêt vời ngăn chặn, loại bỏ việc dùng nước quá nóng.
Sen tắm nhiệt độ Toto TMN40TE có thiết kế hoàn toàn khác biệt với dòng sản phẩm thông dụng GG. Nút chuyển đổi chế độ nước thiết kế bằng cách ấn một cách nhẹ nhàng, các sản phẩm của dòng GG có thiết kế xoay tròn hình chiếc nhẫn.
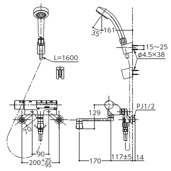
![]()
Sen tắm Toto TMN40TE có chức năng điều chỉnh được tốc độ của vòi sen, trong trường hợp sử dụng bạn thấy nước chảy ra quá nhiều dẫn đến việc lãng phí nước không cần thiết, bạn chỉ cần xoay điều chỉnh ở đầu vòi sen. Đồng thời điều chỉnh được lượng nước chảy của bát sen, chức năng này có tác dụng tương tự với của vòi sen, có thể tiết kiệm lượng nước lãng phí không cần thiết.

Ngoài ra để tăng cường an toàn khi điều chỉnh nước nóng, vòi sen TMN40TE có nút hạn chế nước ở 40 độ C, khi bạn có nhu cầu tăng nhiệt độ nước cần phải ấn vào nút tròn rồi vặn.

Bát sen sử dụng công nghệ trộn khí vào nước Aerial Shower giúp hạt nước có thể tích to hơn, mềm hơn khi tiếp xúc với da, cho bạn những trải nghiệm tắm thoải mái, thú vị hơn. Chức năng này còn tiết kiệm được 35% lượng nước so với những bát sen thông thường khác.
Công nghệ kiểm soát nhiệt SMA giúp bạn kiểm soát nhiệt độ ổn định cho toàn ngôi nhà, cho dù nhà bạn có bao nhiêu vòi hoa sen đang sử dụng nước nóng đi nữa.
Bản vẽ Vòi sen TMN40TE

▁ ▁ ▁ ▁ ▁ ▁ ▁ ▁ ▁ ▁ ▁ ▁ ▁ ▁ ▁ ▁ ▁ ▁ ▁ ▁ ▁ ▁ ▁ ▁ ▁ ▁ ▁ ▁ ▁ ▁ ▁ ▁ ▁ ▁ ▁ ▁ ▁ ▁ ▁ ▁
꧁༺🌸 SHOP NHẬT HẠ LONG - OSAKA 🌸༻꧂
cнυyêɴ вáɴ вυôɴ вáɴ lẻ нàɴɢ ɴнậт ɴộι địα
♥ đảм вảo 100% cнấт lượng cнo cυộc ѕống của вạn ♥
🌐 𝑾𝒆𝒃𝒔𝒊𝒕𝒆: https://hangnhatnoidiahalong.com/
☎️ 𝑯𝒐𝒕𝒍𝒊𝒏𝒆/𝒁𝒂𝒍𝒐: 0829918855 - 0915697788
Đã có tài khoản đăng nhập Tại đây