-
-
-
Tổng tiền thanh toán:
-


Sen cây TMC95ECR là sen cây nhiệt độ đa chức năng massage thuỷ lực cao cấp của TOTO Nhật Bản, bát sen tiết kiệm nước sử dụng công nghệ van nhiệt SMA ổn định nhiệt độ dòng nước ra ngay cả khi nhiệt độ dòng nước thay đổi. Đặc biệt 3 họng phun Massage tạo cảm giác thư giãn, chống mệt mỏi sau những giờ làm việc căng thẳng.
Bát sen Aerial Shower tiết kiệm nước là công nghệ tiên tiến nhất hiện nay của TOTO được áp dụng cho số ít các dòng sen tắm cao cấp trong đó có Sen cây TMC95ECR, từ đó nước được phun thành tia với áp lực mạnh mà không hề bị rát da, hoàn toàn yên tâm với da nhạy cảm, người cao tuổi hoặc tắm cho trẻ nhỏ.
Ngoài tính năng kể trên, Sen cây TOTO TMC95ECR còn là điểm nhấn thiết kế cho phòng tắm hạng sang của bạn.
Sen cây TMC95ECR có thiết kế đặc biệt, theo đó 2 đường cấp nước nóng lạnh dọc theo thân sen trong khi các sen tắm khác theo chiều ngang.
Vì vậy, quý khách cần phải mua hoặc đặt mua sản phẩm từ trước khi ốp lát để thợ điện nước thi công cho phù hợp tránh phiền phức về sau.
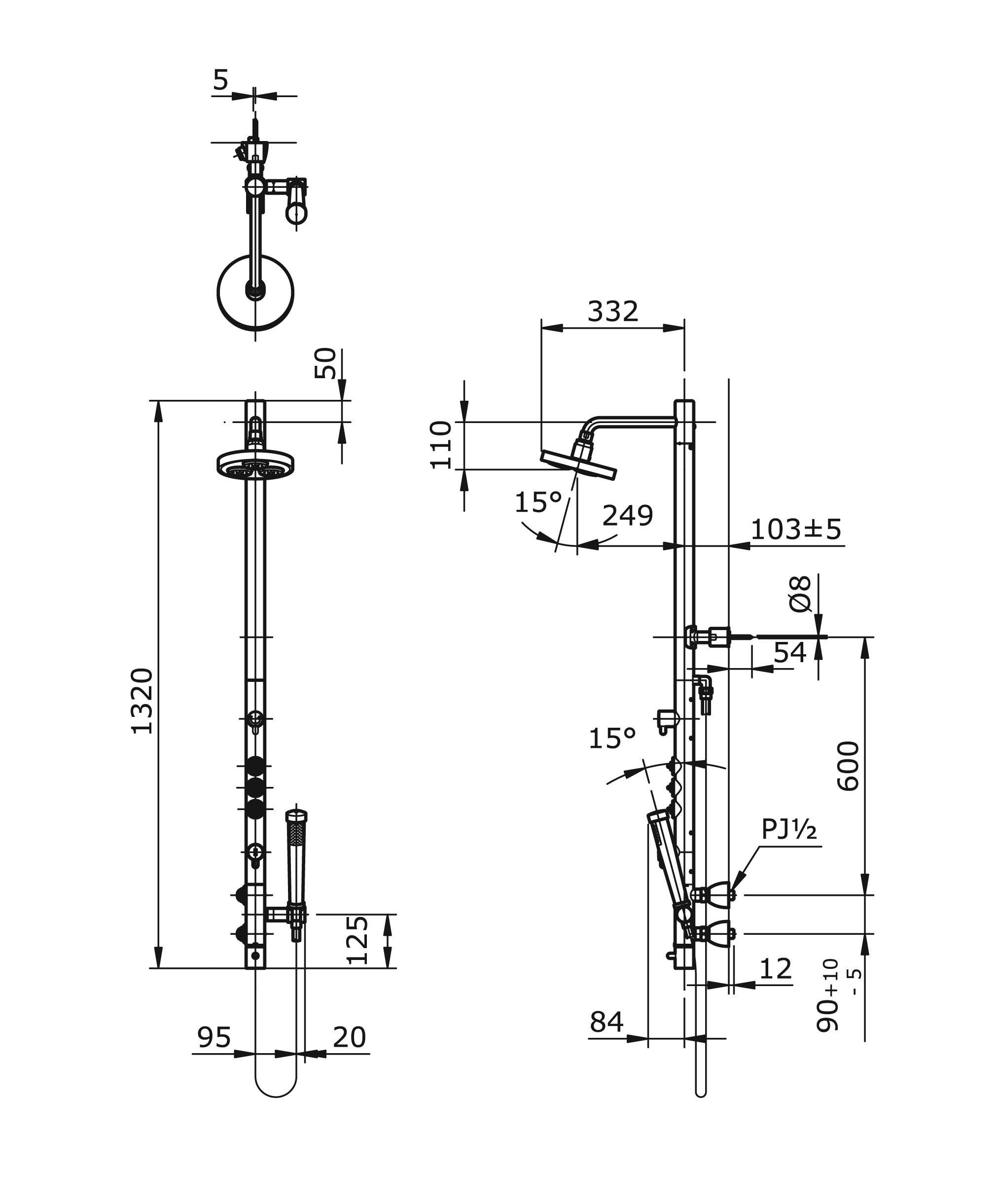
Bản vẽ Vòi sen cây massage TOTO TMC95ECR

▁ ▁ ▁ ▁ ▁ ▁ ▁ ▁ ▁ ▁ ▁ ▁ ▁ ▁ ▁ ▁ ▁ ▁ ▁ ▁ ▁ ▁ ▁ ▁ ▁ ▁ ▁ ▁ ▁ ▁ ▁ ▁ ▁ ▁ ▁ ▁ ▁ ▁ ▁ ▁
꧁༺🌸 SHOP NHẬT HẠ LONG - OSAKA 🌸༻꧂
cнυyêɴ вáɴ вυôɴ вáɴ lẻ нàɴɢ ɴнậт ɴộι địα
♥ đảм вảo 100% cнấт lượng cнo cυộc ѕống của вạn ♥
🌐 𝑾𝒆𝒃𝒔𝒊𝒕𝒆: https://hangnhatnoidiahalong.com/
☎️ 𝑯𝒐𝒕𝒍𝒊𝒏𝒆/𝒁𝒂𝒍𝒐: 0829918855 - 0915697788
Đã có tài khoản đăng nhập Tại đây